产品描述
真空电容器就是以真空作为介质的电容器。这种电容器的电极组是采用高导无氧铜带通过一整套高精度模具一道道引伸而形成的一组同心圆柱形电极被密封在一个真空容器中。因此其性能稳定可靠,不容易产生飞弧、电晕等现象。安讯电子致力于向客户提供高品质的真空电容,以满足各种高频应用需要。
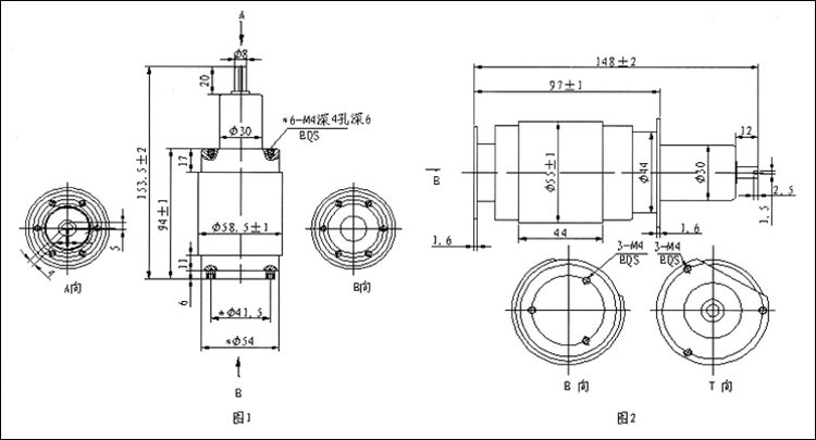
型号 | 电容量 范围 | 峰值 试验电压 | 高频峰值 | 最 大 | 最大转 | 转动 | 最大 | 替代料号 |
(pF) | (kV) | (kV) | (A) | (N.m) | (Circle) | (Kg) | ||
AXCTB500/4.2/57B | 8-500 | 6 | 4.2 | 57 | 0.12 | 20 | 0.655 | CV05C-500W(图2) |
AXCTB500/4.2/57A | 8-500 | 6 | 4.2 | 57 | 0.12 | 20 | 0.755 | (图1) |

真空电容器的特点
真空电容器与其他介质的电容器相比,具有耐压高、体积小、损耗低、性能稳定可靠等特点。独特之处有以下几方面:
额定电压—由于真空的高绝缘强度,加之防尘污染,防潮等特性,使对于一定尺寸和容量来说真空电容器具有大的额定电压值。高的可达几十万伏。
损耗小,额定电流大—由于电容器采用真空介质和低损耗的绝缘外壳及无氧铜电极结构,在一般对流冷却情况下,即使在很高的频率下,也能通过很大的射频电流。如果采用特殊水冷却结构,射频电流可达上千安培。
节省空间—对于给定的电容量和额定电压值真空电容器所占空间最小。
调节范围宽—最大容量和最小容量比值高达150:1,可由几个皮法到几千皮法,成为用于宽调谐范围的理想元件。
对过电压有自愈能力—真空电容器能承受瞬时的过电压,而对其他电容器来说,将会造成永久性破坏。
高海拔工作能力—真空密封可以使真空电容器工作在高海拔地区而不致使其特性降低。
真空电容器应用
1)广播通讯设备:真空电容器在中波、短波、超短波发射机上,作为调谐、耦合、滤波、中和、隔直流等元件。
2)半导体制造设备:用于等离子体的沉积和刻蚀设备
3)高频工业设备:用于高频介质加热和焊接等
4)医疗器械:医疗分析仪及治疗仪等
5)高能物理:高能粒子加速器等
6)电力设备:用于介质损耗测试设备
