Product Description
Cixi AnXon Electronic Co., Ltd develops and manufactures high quality vacuum capacitors. These specialized products are used for precise control of plasma processes like thin-film deposition and etching for semiconductors, flat panel displays, solar panels and industrial coatings. With years of experience in designing vacuum capacitors, AnXon combines expertise and technology to meet your demand for high performance vacuum capacitors.
Model | Capacitance Range | Peak TEST | HF Peak | Max. RF (13.56MHz) | Max. | Tuner | Max. Weight | Replacement |
(pF) | (kV) | (kV) | (A) | (N.m) | (Circle) | (Kg) | ||
AXCTB75/32/79 | 10-75 | 45 | 32 | 79 | 0.3 | 26 | 2 | CV3C-75EB/45 |
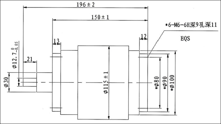
Product Dimensions

Original High Performance Vacuum Capacitors by AnXon
AnXon's capacitor product line offers the broadest selection of capacitance, power, voltage and drive systems in the market. They are produced with the best materials, fabrication processes and quality standards.
Fixed Capacitors
Fixed capacitors have a single, fixed capacitance value, which cannot be adjusted. They are designed for a wide variety of applications like broadcast and communication transmitters, antenna network systems, output filters, coupling capacitors, industrial RF generators and nuclear research.
Variable Capacitors
Variable Capacitors are just that: capacitors that can be intentionally and repeatedly changed, both mechanically and electronically.
Product Application
AnXon High Performance Vacuum Capacitors Applications
AnXon offers you the benefit of more than 50 years of expertise in vacuum technology, producing the world's finest non-thermionic vacuum components for high voltage and high frequency applications, including:
• Broadcast Radio Transmitters
• Semiconductor Manufacturing Equipment
• Plasma Generating Equipment
• Industrial Dielectric Heating Equipment
• Power Switching and Interrupting
• Avionic and Mobile Radio Systems
• Radar Antenna Switching
• MRI and NMR
• High Voltage Capacitor Banks
Our Company
Cixi AnXon Electronic Co., Ltd, A China based manufacturing company, specialized manufacturer and supplier of High Performance Vacuum Capacitors, products have convinced as good replacements of Jennings vacuum capacitors & Comet vacuum capacitors